Pro nákup v tomto internetovém obchodě povolte ve svém prohlížeči JavaScript.
🏆Již 19 let Váš spolehlivý dodavatel💯
🎖️Sedminásobní vítězové soutěže ShopRoku.cz🎉
Nákupní asistent
499 429 225
obchod@topenilevne.cz
Přihlášení
Registrujte se
0
0 Kč
Doprava
0 Kč
Poslední kusy
Tipy pro radost
Armatury
Čerpadla - Vodárny
Dům a zahrada
Expanzní nádoby
Hasicí technika
Chytrá domácnost
Kanalizace - Vodovod
Konvektory
Kotle
Krby a kamna
Koupelny
Měření a regulace
Nářadí a dílna
Čističky potrubí
Gola sady a příslušenství
Bity
1/4" (6,3mm)
10 mm
22 mm
5/16" (8mm)
Microbit
Příslušenství pro bity
Sady
Gola sady
Hlavice
Nástrčné
Příslušenství pro hlavice
Zástrčné
Prodloužení
Ráčny, trháky, vratidla
Příslušenství
Ráčny
Trháky
Vratidla
Inspekční kamery
Kleště
Děrovací a nýtovací
Instalatérské
Hasáky
Sika
Kleště na hadicové spony
Kombinované
Krimpovací
Kulaté
Lisovací
Na pojistné kroužky "seger"
Odizolační
Speciální
Štípací
Armovací
Boční
Čelní
Telefonní
Zámečnické a klempířské
Zobrazit více
Klíče
Momentové klíče
Na kola
Na převlečné matice
Nástrčné, typ "T"
Očkoploché
Očkové
Ploché
Příslušenství
Speciální
Stavitelné
Trubkové
Zástrčné, typ "L"
Zástrčné, typ "T"
Zobrazit více
Montážní vozíky
Moduly
Montážní vozíky
Příslušenství
Nářadí a přípravky pro autoservis
Airbagy
Autoelektrika
Autoklempířské nářadí
Autosklo
Brzdy
Čalounění
Chladící systém
Klimatizace
Motor
Ostatní
Palivový systém
Pneuservis
Přední, zadní náprava
Čepy
Ložiska
Pružiny
Silentbloky
Spojka
Svařování plastů
Testry, měřiče
Ventily
Výfukové potrubí
Výměna oleje
Žhaviče
Zobrazit více
Nářadí Elektrické
Aku nářadí
Elektrické pájky
Kabelové koncovky
Měřící přístroje, příslušenství
Montážní lampy, čelovky
Nářadí VDE
Příslušenství
Zobrazit více
Nářadí na motocykly
Ohýbačky trubek
Ostatní ruční nářadí
Inspekční zrcátka, magnety
Kladiva, palice
Krycí plachty
Kufry a Montážní kapsy
Měřidla
Měrky
Metry, pásma
Ostatní
Posuvná měřítka, mikrometry
Úhelnice
Váhy
Vodováhy
Nálevky, kanystry, vany
Nářadí pro jemnou mechaniku
Navijáky
Nosiče skla
Nůžky a nože
Ochranné pomůcky
Ochrana dýchacích cest
Ochrana rukou
Ochrana sluchu
Ochrana zraku
Olejničky, mazací lisy
Organizéry
Páčidla, háky, montážní páky
Háky
Montážní páky
Páčidla
Plynové hořáky
Razící matrice, děrovače
Rýsovací jehly, důlčíky
Sekery, kalače
Sponkovačky
Svěráky, svěrky
Trháky matic, vytahováky
Upínací sortiment
Vyražeče, sekáče, dláta
Zvedáky, podstavce
Zobrazit více
Pneumatické a vzduchové nářadí
Brusky pneumatické
Hadice
Ofukovací pistole
Ostatní pneumatické nářadí
Pískovací pistole a boxy
Pneuhustiče, pneuměřiče
Pneumatické utahováky a ráčny
Příslušenství
Stříkací pistole
Zobrazit více
Potřeby pro domácnost
Příslušenství
Řezání trubek
Řezání závitů
Stahováky
Dělící přípravky
Dvouramenné
Příslušenství
Sady
Tříramenné
Svářečky PPR trubek
Šroubováky
Křížové
Phillips (PH)
Pozidriv (PZ)
Momentové
Ploché
Sady
Speciální
Šroubovací rukojeti
Rukojeti
Šroubováky na hadicové spony
Torx
Jednotlivé
Sady
Zobrazit více
Tlakové pumpy
Univerzální sady nářadí
Vrtání, broušení, řezání
Do dřeva
Do kovu
Do zdiva / betonu
Frézky a tělíska
Kartáče, kotouče drátěné
Kotouče brusné
Kotouče diamantové
Kotouče pilové
Kotouče řezné
Nože
Ostatní vrtáky
Pilníky, rašple
Ruční pily, příslušenství
Šábry, odhrotovače
Škrabky
Unašeče
Zobrazit více
Zmrazovače trubek
Ohřívače vody
Podlahové topení
Radiátory
Regulace - Termostaty
Regulace plynu
Solární systémy
Tepelná izolace
Topidla - Ventilátory
Trubky
Tvarovky - Fitinky
Upevňovací technika
Úprava a filtrace vody
Menu
Úvod
Ruční nářadí a dílna
Výbava a nářadí pro autodílny
Přední, zadní náprava
Čepy
BGS Klíč na čepy pro povolení nosného kulového čepu, pro Mercedes třídy M
Vaše cena
642,90 Kč
Vaše cena
bez DPH
531,32 Kč
Skladem u dodavatele
Koupit zboží
Kód
0073438
Kód výrobce
BS5420
Výrobce
BGS Technic
EAN
4026947054209
Záruka
24 měsíců
Typ dopravy
Maloobjemová
Hlídací pes
Tisknout
Porovnat
Technický dotaz
Doporučit známému
Dotaz na dostupnost
Přidat k oblíbeným
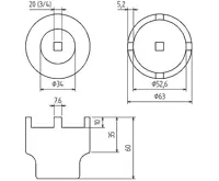
pro Mercedes Benz třídy M W163 do června 2005 a W164 od roku 2005
pro profesionální výměnu kulových čepů zavěšení přední a zadní nápravy
usnadňuje uvolnění a utahování kontramatic závěsných kloubů správným momentem
vhodné pro spodní klouby zavěšení na přední a zadní nápravě
3/4" pohon
VÝŠKA BALENÍ
Výrobce
BGS Technic
Zodpovědný subjekt:
BGS technik KG
BGS Technic
Bandwirkerstr. 3
Wermelskirchen
429 29
Německo
mail@bgs-technic.de
+49 2196-720480
https://www.bgstechnic.com/
Popis a technické parametry
Specifikace
GPSR
Poslední navštívené
BGS Klíč na čidlo v palivové nádrži, pro Peugeot / Citroën
1 205 Kč
Úvod
O firmě
Oznámení
Obchodní podmínky
Splátkový prodej
Doprava zboží
Reklamace a odstoupení od kupní smlouvy
Ochrana osobních údajů
Kontakty
Rádce
Voda
Topení
Plyn
Sanita
Kanalizace
Domácnost