| Kód | 0536542 |
| Kód výrobce | P0621 |
| Výrobce | Atmos |
| Záruka | 24 měsíců |
| Typ dopravy | Dle hodnoty zboží |
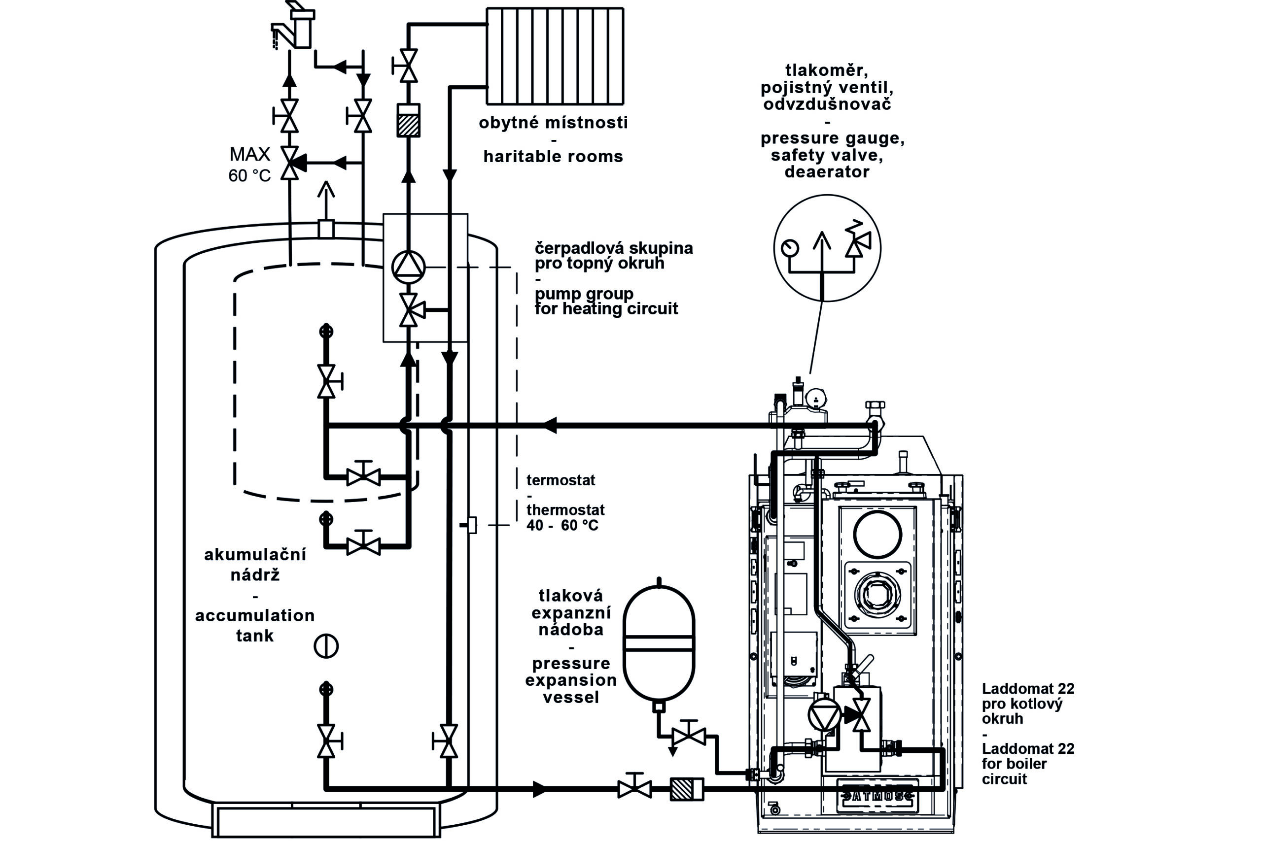
Pro kotle DC18S, DC22S, DC22SX, DC25S, DC30SX, C15S, C18S, AC16S, AC25S
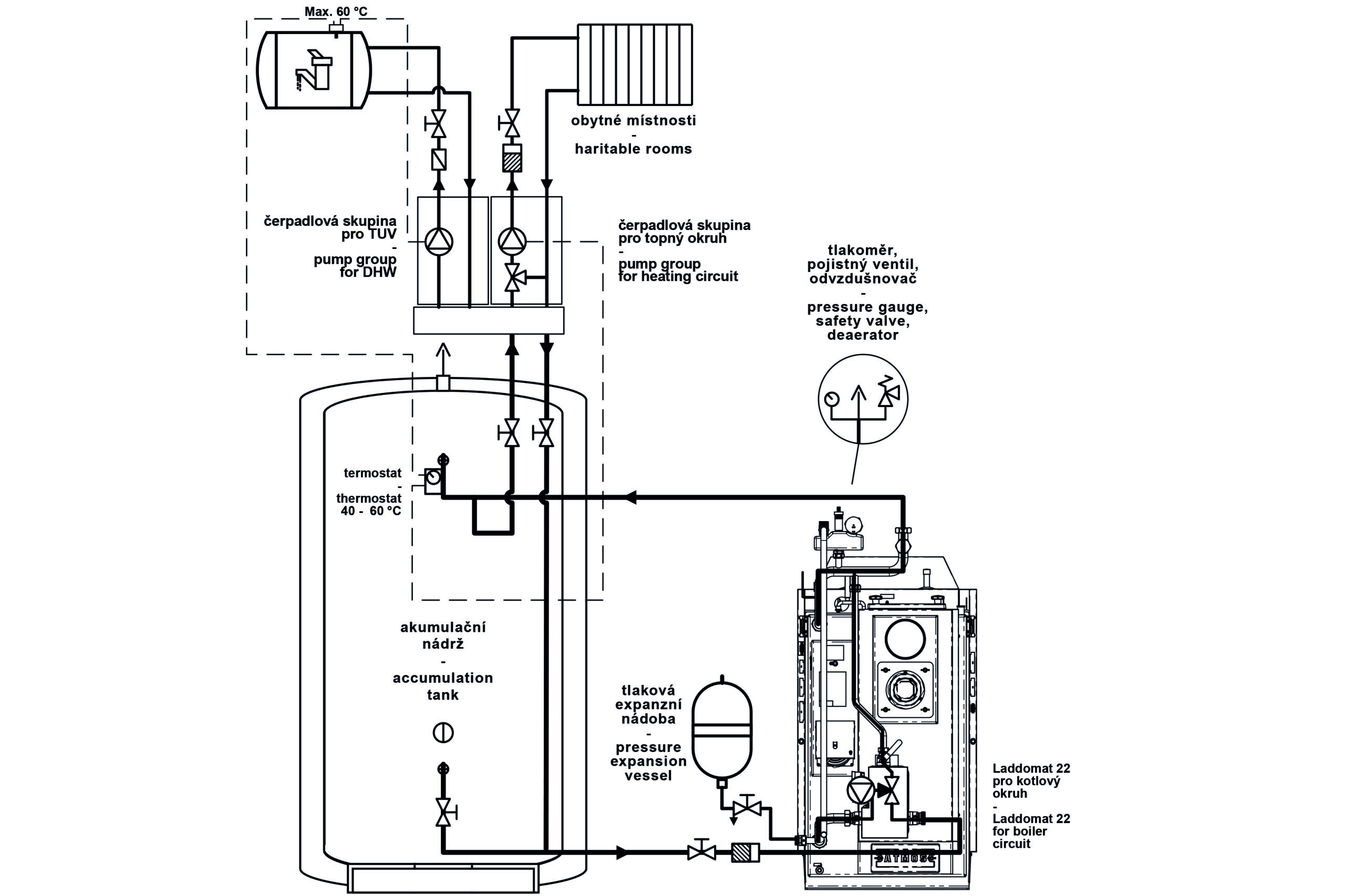
Univerzální sestava nerezového zapojení, obsahující samotný kotlový okruh, usnadní a urychlí samotnou montáž. Sestava lze dovybavit čerpadlovými skupinami ESBE, zapojení je možné s akumulačními nádržemi či bez nich. Lze připojit až tři topné okruhy (podlahové vytápění, radiátory, ohřev TUV).
Profesionální nerezové zapojení postavené na potrubí o průměru 35 x 1,5 mm určené pro udržení minimální teploty vratné vody do kotle a rychlé připojení kotle pomocí dvou 6/4” šroubení s plochým těsněním. Zapojení obsahuje všechny potřebné komponenty, které vyžaduje výrobce – pojišťovací ventil 2,5 bar, odvzdušňovací ventil, manometr, Laddomat 22.
Zapojení (kotlový okruh) je připraveno pro připojení kotle přímo do topného systému nebo pro zapojení kotle s akumulačními nádržemi. Zapojení umožňuje použití čerpadlových skupin ATMOS/ESBE, které lze u rozsáhlejšího topného systému rozšířit na dva nebo tři topné okruhy zakoupením speciálního rozdělovače a potřebné čerpadlové skupiny. Zapojení lze také propojit se standardním samostatným trojcestným ventilem a čerpadlem v okruhu topného systému.
Objednací kód: P0621 / P0622
![]() |
1 – vertikální výstup teplé vody z kotle do akumulační nádrže (topného systému – čerpadlové skupiny) | |
| 2 – horizontální výstup teplé vody z kotle do akumulační nádrže (topného systému – čerpadlové skupiny) | ||
| 3 – pojišťovací sestava (pojišťovací ventil 2,5 bar, odvzdušňovací ventil a tlakoměr) | ||
| 4 – Laddomat X22 pro jeden kotlový okruh (se speciálními kulovými ventily) | ||
| 5 – čerpadlo v kotlovém okruhu (součást Laddomatu X22) | ||
| 6 – teploměry (součást Laddomatu X22) | ||
| 7 – šroubení s kulovým ventilem – vnější závit (součást Laddomatu X22) | ||
| 8 – výstup pro expanzní nádobu (1“) | ||
| 9 – zpátečka z akumulační nádrže (topného systému) (vstup do Laddomatu – 6/4” vnější závit) | ||
![]() |
Příslušenství v příbalu | |
| Předepsané nastavení čerpadla v kotlovém okruhu – na maximum a konstantní výtlačnou výšku Doporučujeme neměnit |
– ploché těsnění 3/4” – 3 mm | 1 ks |
| – ploché těsnění 1” – 3 mm | 7 ks | |
| – ploché těsnění 6/4” – 3 mm | 4 ks | |
| – ploché těsnění 2” – 3 mm | 2 ks | |
| – teploměr k Laddomatu 22 | 3 ks | |
| – vsuvka 6/4” | 1 ks | |
| – zátka 1“ | 1 ks | |
| Zapojení ATMOS F21 Laddomat | Zapojení ATMOS F22 Laddomat |
|
určeno pro kotle: |
určeno pro kotle: DC32S, DC40SX, DC15GS, DC20GS, DC25GS, DC32GS, DC18GD, DC25GD, DC30GD |


(jeden topný okruh + okruh pro ohřev TUV)
– čerpadlová skupina ESBE GRA211 s ručně ovládaným trojcestným ventilem

(kotlový okruh + jeden topný okruh + ohřev TUV)
– čerpadlová skupina ESBE GRA211 s ručně ovládaným trojcestným ventilem
Zapojení ATMOS F12 Laddomat rozšířené o:
– rozdělovač ATMOS ESBE GMA421 (dvouokruhový)
– okruh pro ohřev TUV – čerpadlová skupina ATMOS ESBE GDA211 – přímá

| Výrobce | Atmos |